当前的位置:主页 > 技术资料 > 科技论文

矿井Y型通风系统设计与通风阻力测定研究

时间:2022-01-09 来源:中国煤炭杂志官网 分享:

★ 煤矿安全 ★

矿井Y型通风系统设计与通风阻力测定研究

杨 刚1 杨明杰2

(1. 河南能源化工集团义马煤业集团股份有限公司,河南省三门峡市,472300; 2.河南省豫西建设工程有限责任公司,河南省三门峡市,472300)

针对U型通风方式下存在的上隅角及回采巷道瓦斯超限问题,以义煤集团跃进煤矿7828工作面为工程背景,开展Y型通风系统设计试验研究。根据7828工作面地质条件,确定了“两进一回”合理通风线路及各巷道风量取值,进一步确定充填墙体组成材料与沿空留巷支护方案;通过数值模拟和现场实测,确定Y型通风方式下压力场、通风阻力的分布情况。

关键词 Y型通风系统 沿空留巷 围岩支护 通风阻力 高瓦斯矿井

中图分类号 TD722

文献标识码 A

引用格式杨刚,杨明杰. 矿井Y型通风系统设计与通风阻力测定研究[J].中国煤炭,2018,44(8):136-139,152.

Yang Gang, Yang Mingjie. Research on Y-type ventilation system design and ventilation resistance measurement in coal mine [J]. China Coal, 2018,44(8):136-139,152.

Research on Y-type ventilation system design and ventilation resistance measurement in coal mine

Yang Gang1, Yang Mingjie2

(1. Yima Coal Industry Group Co., Ltd., Henan Energy and Chemical Industry Group, Sanmenxia, Henan 472300, China; 2. Henan Yuxi Construction Engineering Co., Ltd., Sanmenxia, Henan 472300, China)

Abstract In view of the problems of transfinite gas in upper corner and mining entry in the condition of U-type ventilation system, Y-type ventilation system was designed and tested based on the engineering background of 7828 work face in Yuejin Coal Mine of Yima Coal Industry Group. Based on the specific geological conditions, the rational ventilation route and air volume of each roadway were determined, and component materials of filling wall and support schemes of gob side entry were further obtained, and the distribution laws of pressure field and ventilation resistance under the condition of Y-type ventilation pattern were found out through numerical simulation and field tests. The research results had important reference value for Y-type ventilation designing in coal mines with similar conditions.

Key words Y-type ventilation system, gob side entry retaining, surrounding rock support, ventilation resistance, highly gassy coal mine

近年来,随着煤炭产量与采出效率的大幅提升,工作面上隅角瓦斯积聚及超限的治理一直是煤矿安全领域关注的焦点。相比传统U或U+L通风方式,Y型通风采用“两进一回”通风方式,可优化瓦斯流动方向,允许新鲜风流以较高的速度不间断冲刷上隅角,从而极大缓解瓦斯积聚问题,因此,Y型通风方式开始在高瓦斯矿井下煤炭开采过程中大范围推广使用。大量研究表明,Y型通风技术成败的关键在于能否实现沿空巷道围岩特别是充填墙体的稳定性控制,为此国内外专家学者在沿空巷道人工墙体设计方面做了大量研究。然而由于煤矿地质生产条件的千差万别,煤岩体应力及变形特征均表现出不同的规律,充填墙体设计亦明显不同。此外,详细掌握风阻、风流和风速的分布情况对于评价通风系统可靠性具有重要意义,专家学者在煤矿通风阻力测定方法亦进行了卓有成效的研究,然而对于Y型通风系统下通风阻力与风流迁移规律的研究较少。

本文结合义煤集团跃进煤矿7828工作面具体地质生产条件,开展Y型通风系统设计,首先确定充填墙体构筑材料与合理沿空巷道支护设计,通过对巷道变形情况和风阻变化情况实时监测,评价了Y型通风系统的可行性,实现通风安全和矿井安全生产,对于类似矿井Y型通风设计具有重要借鉴意义。

1 工程概况

1.1 试验工作面地质生产条件

义煤集团跃进煤矿位于河南省义马矿区西部,矿井东西长9.9 km,南北宽5 km,面积39.5 km2。主采7#煤层,煤层埋深470.9~526.7 m,平均埋深498.8 m,煤层直接顶为2.4 m厚的泥岩,灰黑色,坚硬性脆,节理发育含黄铁矿结核,坚固性系数为4;基本顶为10.5 m厚细砂岩,深灰色,坚硬,水平层理发育,坚固性系数为5;底板为1.3 m厚粉砂岩,含植物化石,发育一层厚度为0.05~0.25 m煤线,坚固性系数为4;老底为5.5 m厚中砂岩,坚硬性脆,坚固性系数为6。

7828工作面位于八采区二阶段轨道下山东翼,走向长度800 m,倾斜长度60 m,采用MG150/345-WDK采煤机割煤、装煤,采煤机截深0.6 m,上下端头自开缺口,使用SGZ630/264W型刮板输送机运煤,ZY3200/09/18型液压支架支护顶板。

1.2 Y型通风系统设计

为解决以往U通风方式下存在的上隅角及回采巷道瓦斯超限问题,拟在7828工作面开展Y型通风技术研究。根据Y型通风技术要求和7828工作面具体地质生产条件,采用由7828运输平巷(进风)、7828回风平巷(进风)与沿空留巷(回风)组成的“两进一回”式通风系统,如图1所示。在Y型通风方式下,工作面生产造成的瓦斯或粉尘可以被由7828运输平巷流入的主风流不断稀释,同时上隅角积聚瓦斯被由7828回风平巷流入的副风流带走,最后通过沿空留巷流入采区回风巷道,从而在根本上解决瓦斯超限问题。

根据Y型通风设计和工作面瓦斯涌出情况,确定通风线路和风量如下:7828运输巷进风量Q1为1150 m3/min,回风巷进风量Q2为650 m3/min,沿空巷道回风量Q3为1800 m3/min。

图1 7828工作面Y型通风方式布置图

2 沿空巷道围岩稳定性控制

Y型通风系统的构筑是通过施工人工墙体并对其实施有效支护,从而将沿空巷道保留下来作为回风巷道,实现“两进一回”通风线路,其成败的关键在于沿空巷道围岩稳定性控制,具体包括充填墙体材料、沿空巷道围岩支护等方面。

2.1 充填墙体构筑材料

已有研究表明,要实现充填墙体对上覆岩层的有效支撑,充填墙体应具有早强和可塑性的特点,首先,充填墙体应具有较高的强度和快速增阻的特性,以便墙体短时间内达到较高的支护阻力,避免岩层破断回转运动引发巷道剧烈下沉;其次,为避免覆岩后期剧烈下沉诱发的沿空巷道围岩不可逆大变形,充填墙体还应具备一定可缩性。

根据上述要求,选择ZKD新型高水材料构筑充填墙体,其由甲、乙两种原料构成,结合7828工作面具体地质生产条件和室内试验,确定材料水灰比为1.8~2.1∶1。该新型高水材料各龄期的抗压强度如下:6 h抗压强度1.8 MPa,1 d抗压强度4.0 MPa,3 d抗压强度5.1 MPa,7 d抗压强度6.0 MPa,28 d抗压强度26.0 MPa。

2.2 沿空巷道支护设计

为了保证沿空巷道长期稳定,结合相关理论和工程实践,分别提出巷道掘进与沿空留巷期间支护方案。

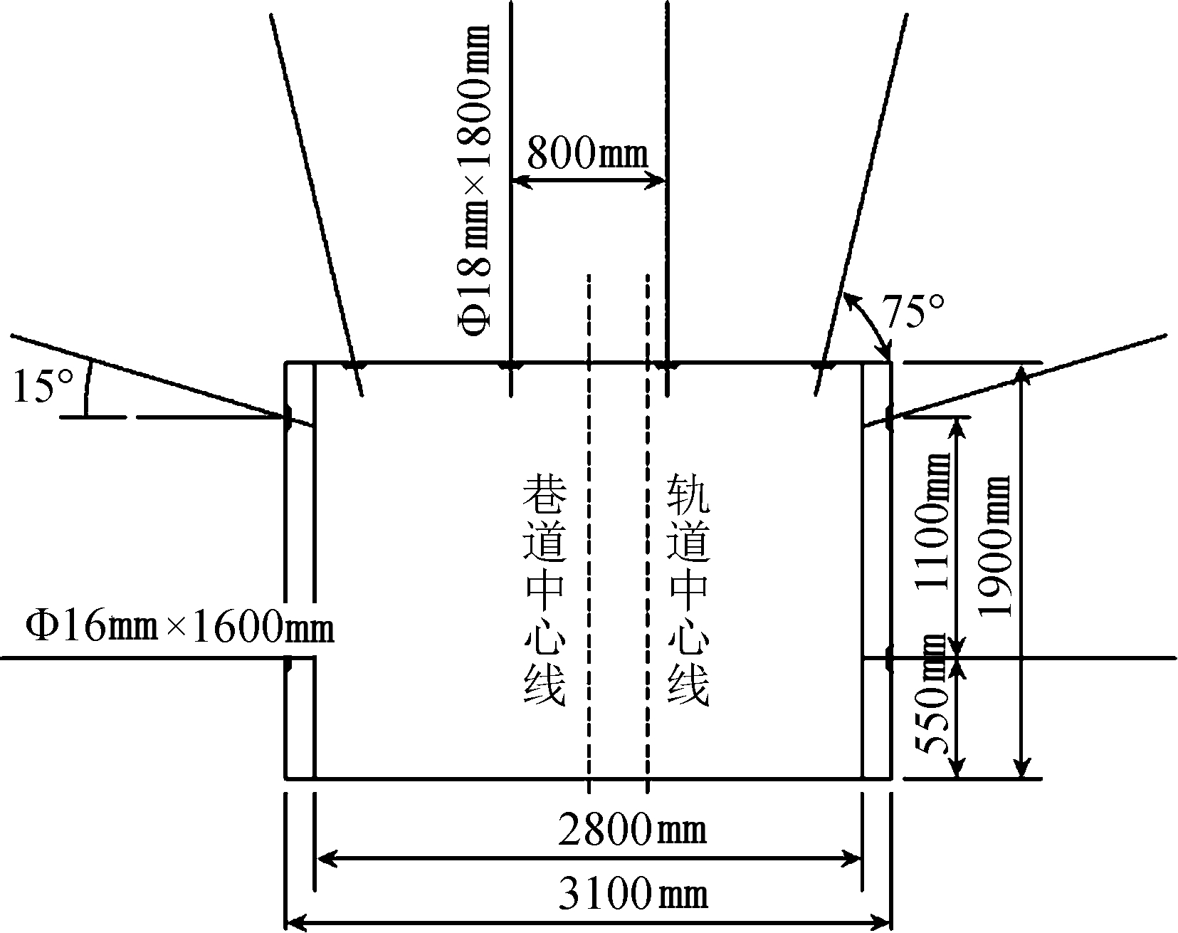
(1)掘进期间巷道支护方案如图2所示。巷道断面为3100 mm×1900 mm,顶板选用直径18 mm螺纹钢高强锚杆,长度1800 mm,锚杆间排距为800 mm×800 mm,使用1卷Z2360锚固,锚杆预紧力矩不低于80 kN,靠两帮锚杆向外侧倾斜15°;两帮选用直径16 mm螺纹钢高强锚杆,长度1600 mm,锚杆间排距为1100 mm×800 mm,使用1卷Z2360锚固,锚杆预紧力矩不低于80 kN,靠顶板处锚杆向上倾斜15°。

图2 掘进期间巷道支护方案

(2)留巷期间充填墙体加固方案如图3所示。充填墙体高度为2100 mm,宽度为2500 mm,为防止其在顶板压力下发生压缩变形,采用锚栓进行对穿加固,锚栓选用直径为18 mm螺纹钢,间排距为1100 mm×2000 mm,同排两根锚栓选用W型钢带连接。同时,在工作面前方20 m范围及滞后5~30 m范围内,架设由1.2 m铰接顶梁及单体液压支柱组成的走向梁进行加强支护。

图3 充填墙体加固方案

3 Y型通风效果分析

为分析7828工作面Y型通风系统工况,依次对采空区内瓦斯分布情况、工作面通风阻力分布特征及沿空巷道围岩变形规律进行分析,为Y型通风系统科学性评价提供基础数据。

3.1 采空区风压模拟分析

为了分析对比Y型通风与U型通风方式下采空区压力场分布特征,建立相应物理力学模型,其中Y型通风物理模型如图4所示。

图4 Y型通风物理模型

模拟分析得到采空区压力场如图5所示。

图5 U型和Y型通风方式下压力场分布特征

由图5可知,在U型通风方式下,采空区压力沿工作面走向方向呈逐渐降低趋势,在回风巷处达到最小值;在Y型通风方式下,采空区压力沿着对角线方向逐渐降低,并在沿空留巷尾部达到最小值;U型通风方式能位最低点位于上隅角区域,而Y型通风方式下沿空留巷处于负压状态,使得采空区风流流向巷道,漏风量约为U型通风下的 1.5 倍,从而可有效避免瓦斯超限问题。

3.2 通风阻力监测

为了全面掌握Y型通风系统通风阻力、风量和风速变化规律,对7828工作面3条巷道进行风量、风速和通风阻力的观测与分析,其步骤如下:

(1)根据通风线路长度和现场地质生产条件,确定合理测站位置;

(2)采用JYF-1型精密数字式气压计监测各测站风流的绝对压力和相对静压差,并记录测定时间;

(3)采用KG3088 风速传感器测量各测站风速变化,并计算平均风速;

(4)用皮尺测量各测站巷道参数,计算巷道断面面积和周长;

(5)基于上述各个测量值,结合经验公式计算各测段的通风阻力和自然风压;根据Y型通风系统中各段巷道的作用,将其分为进风段、用风段和回风段,得到7828工作面各个区段通风阻力分布,如表2所示。把实测的矿井通风阻力同其计算值进行对比,误差值在5%内,说明此次测定精度符合要求。

2 通风阻力监测表

区段阻力/Pa比例/%进风段562.4226.90用风段420.1320.10回风段1108.4353.00合计2090.98100

从监测结果可知,进风段阻力为562.42 Pa,占26.9%;用风段阻力为420.13 Pa,占20.1%;回风段阻力为1108.43 Pa,占53%。可见,在Y型通风方式下,回风线路大幅缩减,巷道维护状况良好,可保证充足有效断面,通风阻力在合理范围之内。

3.3 沿空巷道围岩变形现场监测

巷道表面位移是反映巷道围岩稳定状况的综合指标。沿空巷道构筑完成后,随着工作面的推进,巷道围岩发生变形和移动。沿空巷道顶底板及两帮移近量与距工作面距离的关系如图6所示。

由图6可知,顶底板移近量、两帮移近量在工作面推过后即开始较大幅度增长,直至工作面推过50 m后,巷道变形才逐渐趋于平缓,顶底板移近量达到475 mm,两帮移近量达到410 mm;之后,巷道变形趋于缓慢增长,直至保持基本恒定,工作面推过120 m后,顶底板最大移近量达到521 mm,两帮最大移近量达到443 mm,巷道变形在合理范围内,可以满足巷道通风需求。

图6 沿空巷道顶底板及两帮移近量与距工作面距离关系图

4 结论

(1)7828工作面采用“两进一回” 式通风系统,7828运输巷进风量Q1为1150 m3/min,回风巷进风量Q2为650 m3/min,沿空巷道回风量Q3为1800 m3/min。

(2)沿空巷道充填墙体应同时具备早强和可塑性的特点,根据试验工作面地质条件,确定选用ZKD新型高水材料构筑充填墙体。

(3)对Y通风系统通风阻力情况进行现场监测,监测结果表明,进风段阻力为562.42 Pa,占26.9%;用风段阻力为420.13 Pa,占20.1%;回风段阻力为1108.43 Pa,占53%。可见,在Y型通风方式下,回风线路大幅缩减,巷道维护状况良好,可保证充足有效断面,通风阻力在合理范围之内。

参考文献

[1] 袁亮, 薛俊华, 张农等. 煤层气抽采和煤与瓦斯共采关键技术现状与展望[J]. 煤炭科学技术, 2013(9)

[2] 刘伟, 秦跃平, 郝永江等. “Y”型通风下采空区自然发火数值模拟[J]. 辽宁工程技术大学学报(自然科学版), 2013(7)

[3] 陈勇, 柏建彪, 王襄禹等. 沿空留巷巷内支护技术研究与应用[J]. 煤炭学报, 2012(6)

[4] 谭云亮, 于凤海, 宁建国等. 沿空巷旁支护适应性原理与支护方法[J]. 煤炭学报, 2016(2)

[5] 黄艳利. 固体密实充填采煤的矿压控制理论与应用研究[D]. 中国矿业大学, 2012

[6] 唐建新, 胡海, 涂兴东等. 普通混凝土巷旁充填沿空留巷试验[J]. 煤炭学报, 2010(9)

[7] 史秀志, 周健. 用Fisher判别法评价矿井通风系统安全可靠性[J]. 采矿与安全工程学报, 2010(4)

[8] 钟德云, 王李管, 毕林等. 基于回路风量法的复杂矿井通风网络解算算法[J]. 煤炭学报, 2015(2)

[9] 王鹏, 张耀辉. 沿空留巷巷旁高水充填材料性能改进[J]. 煤矿安全, 2016(2)

[10] 张农, 陈红, 陈瑶. 千米深井高地压软岩巷道沿空留巷工程案例[J]. 煤炭学报, 2015(3)

作者简介杨刚(1970-),男,河北唐山人,高级工程师,硕士学历,河南能源化工集团义煤公司战略规划部副部长,从事矿建、矿井升级改造、矿区规划、土建施工技术、工程管理等方面的研究。

(责任编辑 张艳华)

新煤网