新煤网移动版

主页 > 技术资料 > 科技论文

孤岛工作面沿空巷道支护技术研究与应用

★科技与工程★

孤岛工作面沿空巷道支护技术研究与应用

张照允

(兖州煤业股份有限公司兴隆庄煤矿,山东省济宁市,272102)

摘 要 孤岛工作面受邻近采空区采动影响,沿空巷道破坏变形严重,对工作面掘进和回采影响较大。兴隆庄煤矿在10304孤岛工作面两巷掘进过程中采用提高锚杆预紧力、增加帮部皮带梯、使用增大型锚杆螺帽提高支护体系护表面积,二次支护使用浆锚杆(索)增加小煤柱承载能力,支护效果良好,巷道变形破坏得到有效控制。

关键词 孤岛工作面 沿空巷道 支护技术

孤岛工作面进、回风巷均为沿空掘进巷道,受邻近采空区采动影响,沿空巷道受到比原始应力高数十倍的支撑压力,致使巷道变形破坏异常严重,对工作面掘进和回采影响巨大[1]。因此,工作面两巷的布置及支护方式对于安全开采尤为重要。

1 工程概况

兖州煤业股份有限公司兴隆庄煤矿10304工作面采用倾向布置,设计长度2600 m,可采长度2365 m,工作面长度231~181m,可采储量570万t,地面平均标高+47.0 m,工作面标高-315.0~-548.4 m,该工作面为孤岛工作面,东侧为兴隆庄煤矿10303工作面、西侧为兴隆庄煤矿10305工作面、南侧为东滩煤矿14310工作面,均已回采完毕。

10304工作面所采煤层为下二叠系月门沟统山西组底部3#煤层,以亮煤为主,次之镜煤及暗煤,煤层倾角2°~15°,平均为8°。煤层结构复杂,在距底板3.0~3.2 m发育一厚度为0~1.4 m左右的炭质泥岩夹矸。煤层厚度一般在7.80~9.90 m,平均为8.85 m,普氏硬度f=2~3。10304工作面顶底板岩性见表1。

1 10304工作面顶底板岩性表

名 称岩石名称厚度/m平均厚度/m岩性及物理力学性质基本顶中砂岩9.7~31.2411.50浅灰色,含大量的木芦、鳞木、轮叶等植物化石,裂隙发育,f=6~9直接顶粉砂岩1.87~3.652.14灰色,泥矽质胶结,具水平层理,偶见裂隙,f=5~7伪底泥岩0~0.570.29深灰色,含根化石碎片,泥质胶结,水平层理,f=1.5~2.5直接底粉砂岩1.80~8.655.06灰色,含粘土质,富含羊齿、契叶、芦木等植物化石,f=5~7基本底中砂岩6.8~14.3610.88浅灰色,互层较明显,局部含大量棕褐色菱铁质点,具斜层理,f=6~11

2 巷道支护技术方案

2.1 运输巷初次支护设计

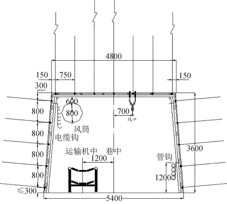
运输巷采用锚网支护,顶部采用无纵筋螺纹钢树脂锚杆、菱形金属网、锚索配合梯形钢带进行支护;帮部采用等强螺纹钢式树脂锚杆(全螺纹锚杆),皮带梯、菱形金属网进行支护。巷道采用上净宽4.8 m、下净宽5.4 m、高度3.6~3.8 m的梯形断面,沿空侧与相邻采空区之间净煤柱宽度3.5 m。运输巷支护断面图见图1。

图1 运输巷支护断面图

由图1可知,锚网排距900 mm,钢带采用孔距为750 mm的7孔梯形钢带,钢带垂直巷道掘进方向布置,金属网采用8#铁丝编制而成,顶板采用型号为MSGLW-500/22×2400的无纵筋螺纹钢树脂锚杆,帮部采用采用型号为MSGLD-500/20×2200的等强螺纹钢树脂锚杆(全螺纹锚杆),沿空侧使用皮带梯配合帮部锚杆增加护表能力。

支护形式按照每两排一个循环,每循环第一排采用规格为ø22 mm×7500 mm锚索布置在沿施工方位自钢带左侧第3、4根锚杆孔内,替换顶锚杆;每循环第二排采用规格为ø22 mm×5000 mm锚索布置在沿施工方向自钢带左侧第1、7根锚杆孔内,替换顶锚杆。

2.2 提高支护体系护表能力

通过提高锚杆预紧力、增加帮部皮带梯、使用增大型锚杆螺帽提高支护体系护表面积,在大埋深区域锚杆(索)使用让压环提高抗变形能力。

(1)预紧力是锚杆支护中的关键参数,对支护效果起着决定性作用,而且目前常用手持式锚杆施工机具不能提供较大预紧力[2]。安装顶部锚杆时,在锚杆钻机与锚杆之间使用JQHS-1200型锚杆螺母安装器(锚杆扭矩放大器),如图2所示。通过降低转速增加扭矩,预紧力由原来120 N·m提高至300 N·m。

图2 锚杆扭矩放大器

(2)在埋深较大局部地段将顶部普通锚杆帽(ø48 mm)更换为增大型锚杆帽(ø56 mm)。在不增加施工环节的前提下,锚杆帽与钢带接触面积提高36%,防止因压力显现造成锚杆拉穿钢带现象的发生。

(3)帮部锚杆使用200 mm×200 mm型锚杆托盘、并用胶带梯将单根锚杆连成一体,有效增大帮部支护与煤体接触面积,如图3所示。

图3 帮部支护形式

(4)靠近切眼600 m区段锚杆使用单泡让压环、锚索使用双泡让压环,如图4所示。巷道变形时首先将压力传递给让压环,压环通过压缩吸收变形能,有效降低因巷道变形量超过锚杆(索)延展能力而造成崩断失效现象的发生。

图4 单(双)泡让压环实图

2.3 巷道二次补强支护

10304运输巷距离切眼600 m范围内,巷道实体煤帮侧使用注浆锚杆与恒阻锚索联合进行加固,增加浅部破碎区煤体的承载能力,并将其固定在深部弹性区完整煤体中;沿空侧小煤柱使用注浆锚杆、注浆锚索及恒阻锚索联合加固,胶结小煤柱松软破碎煤体,强化小煤柱完整性控制,保持良好的承载性能;顶板采用U型钢+锚索进行加强支护,强化顶部厚煤层顶板的安全保障。二次加固方案如图5所示。

图5 二次加固方案

(1)实体煤侧使用注浆锚杆及恒阻锚索予以加强支护,注浆锚杆与恒阻锚索交替施工。注浆锚杆长度3.0 m、排距1.8 m,每排2棵,注浆锚杆与胶带相联;恒阻锚索长度5.0 m、排距1.8 m,每排2棵。实体煤侧注浆锚杆布置如图6所示。

图6 实体煤侧注浆锚杆布置

(2)沿空侧使用注浆锚杆、注浆锚索及恒阻锚索予以加固,注浆锚杆长度3.0 m,隔排施工即排距1.8 m,每排3棵,锚杆使用胶带相联;上部注浆锚索长度5.0 m、下部注浆锚索长度3.5 m,排距3.6 m,每排2棵;恒阻锚索长度5.0 m,排距3.6 m,每排1棵。沿空侧注浆锚杆布置如图7所示。

图7 沿空侧注浆锚杆布置

(3)二次支护材料性能。注浆锚索ø22 mm,钢绞线由8股螺旋肋预应力钢丝捻制而成,单根钢丝延长率≥5%,锚索破断强度≥1770 MPa、破断力≥375 kN。索体分为树脂锚固段和注浆锚固段,树脂锚固段钢绞线中心为实心钢筋,可以实现树脂端锚;注浆锚固段钢绞线中心为空心管,进行注浆加固。

注浆锚杆体选用Q345级及以上无缝钢管为原材料,采用热轧工艺形成连续梯形螺纹,外径25 mm、壁厚7.5 mm,锚杆屈服强度345 MPa、破断强度500 MPa、破断荷载≥210 kN、延伸率≥5%。

注浆料采用MZM-70型高强无机注浆料,其特点是微膨胀,膨胀率0.1~0.3,早期强度高,如图8所示,具有高流动性和触变性,与煤体粘结性能好等优良性能。

(4)二次加固注浆压力约3 MPa,锚索平均注浆量为16.6 kg/条,锚杆平均注浆量为7.9 kg/条。对已施工28 d龄注浆锚杆进行拉拔抽检破坏性试验,拉拔力60 MPa(300 kN),达到拉力计最大量程未出现锚杆破断及拉出现象。注浆料抗压强度随时间变化图见图8。

图8 注浆料抗压强度随时间变化图

3 巷道变形监测

(1)掘进期间在运输巷设6组基点,基点平均间距250 m。采用十字布点法,对掘进期间巷道顶底板移近量和两帮移近量进行连续的观测。掘进期间围岩变形实测值见表2。

2 掘进期间围岩变形实测表

测点顶底板累计变形/mm平均速度/(mm·d-1)最大速度/(mm·d-1)两帮累计变形/mm平均速度/(mm·d-1)最大速度/(mm·d-1)1#57.00.493.50112.00.968.302#26.00.252.5069.00.673.603#77.00.873.50119.01.3413.204#119.01.2817.3088.00.9514.005#86.00.957.70123.01.356.006#130.01.9120.80152.02.2417.80平均82.50.969.21110.51.2510.48

由表2可知,掘进期间顶底板最大移近量130 mm,平均移近量82.5 mm;两帮最大移近量152 mm,平均移近量110.5 mm。沿空巷道变形以两帮移近为主。

(2)选取4#测点进行详细分析,主要研究巷道随掘进头掘进后期变形。4#测点随掘进头掘进围岩变形情况如图9所示。

由图9可以看出,掘进掘进头200 m范围巷道围岩变形速率呈上升趋势,该区域受掘进扰动影响较大。巷道距离掘进掘进头800 m后,围岩变形趋于稳定。

图9 4#测点随掘进头掘进变化趋势

4 数值模拟

数值模拟采用Phase2岩土工程弹塑性有限元分析软件,该软件广泛应用于地表或地下开挖的支护设计、边坡稳定分析、地下水渗流分析以及概率分析等领域。通过模拟旨在分析10304运输巷掘进前及掘进(支护后)应力状态。

(1)煤层及顶底板岩层参数取自表1。

(2)地应力。根据兴隆庄矿十采区原岩应力实测结果,最大水平应力方向大致为120°;水平应力大于垂直应力,最大水平主应力为垂直应力的1.2~1.4倍(取1.3);最大水平主应力为最小水平主应力的1.6~2.2倍(取2.0)。

图10 10304运输巷掘进前巷道围岩应力分布云图和曲线

10304运输巷掘进前,自10305运输巷靠10304工作面一侧巷帮向10304方向围岩支承应力云图和应力曲线如图10所示。

由图10可以看出,10304运输巷掘进前,巷道围岩应力峰值最大约32 MPa,距离10305运输巷约18 m位置,因此掘进10304工作面运输巷时应尽量避开由于10305工作面回采导致的周围岩体应力峰值,否则掘进期间压力显现较为严重。

5 结论

(1)实践证明,通过采用提高支护体系护表能力、局部地点施工注浆锚杆(索)等方式可有效控制孤岛工作面沿空掘进期间巷道围岩变形。

(2)通过巷道变形监测可以看出,距离掘进头200 m范围内巷道围岩变形较为剧烈,帮部二次支护距离掘进头不应超过此范围,若超过200 m,沿空小煤柱破坏严重,二次支护效果较差。

(3)初次支护与帮部二次支护相结合的方式,各工序合理穿插,二次加固不影响掘进速度,最高月单进达407 m。

参考文献:

[1] 陈相鹏.软岩巷道应力治理研究与实践[J].中国高新技术企业,2010(12):135-137.

[2] 康红普.煤巷锚杆支护理论与成套技术[M].北京:煤炭工业出版社,2007.

[3] 魏有胜.孤岛工作面小煤柱沿空掘巷支护技术实践[J].煤炭科技,2018,(3):106-108.

Study and application of support technology for gob-side roadway in isolated working face

Zhang Zhaoyun

(Xinglongzhuang Coal Mine, Yanzhou Coal Industry Co., Ltd., Jining, Shandong 272102, China)

Abstract The isolated working face was affected by the mining of the adjacent gobs, and the gob-side roadway was seriously damaged and deformed, which had a great influence on the driving and mining of the working face.In the process of two roadways driving in 10304 isolated working face, Xinglongzhuang Coal Mine adopted the support technology of increasing the bolt pretightening force, increasing the belt ladder at the side, using the increased-size bolt nut to increase the surface protection area of the support system, and using the slurry bolt(cable)to increase the bearing capacity of the small coal pillar in the secondary support.The effects of the support technology was good, and the deformation and damage of the roadways were effectively controlled.

Key words isolated working face, gob-side roadway, support technology

中图分类号 TD713

文献标识码 A

引用格式:张照允.孤岛工作面沿空巷道支护技术研究与应用[J].中国煤炭,2020,46(3):100-104.

Zhang Zhaoyun.Study and application of support technology for gob-side roadway in isolated working face[J].China Coal, 2020, 46(3):100-104.

作者简介:张照允(1980-),男,汉族,山东巨野人, 硕士,高级工程师,现任兴隆庄煤矿总工程师,主要从事矿山压力研究与巷道支护方面的工作。E-mail:39694189@qq.com。

(责任编辑 郭东芝)

(责任编辑:admin)