为矿业高质量发展提供支撑
时间:2020-10-22 00:00 来源:新煤网 作者: 点击:次
为推进资源开发与保护协调发展,提高资源节约集约利用水平,中国地质调查局郑州矿产综合利用研究所按照自然资源部、中国地质调查局统筹安排,开展相关研究,建立了矿产资源开发利用水平调查评价政策体系、评价指标体系、监督管理标准体系,为矿业高质量发展提供了有力支撑。 一、矿产资源开发利用水平调查评价政策体系研究 2015年,党中央、国务院印发了加快推进生态文明建设的意见和改革总体方案,确定由原国土资源部牵头建立矿产资源开发利用水平调查评估制度,并明确时间表和路线图。 郑州综合利用所在矿产资源开发利用水平调查评价制度研究方面开展了一系列工作:组织研究提出工作方案建议,支撑了《矿产资源开发利用水平调查评估制度工作方案》印发;研究提出试点工作办法建议,支撑《矿产资源开发利用水平调查评估试点工作办法》 印发;在试点调查基础上,提出《矿产资源开发利用水平调查评价办法建议》《矿产资源开发利用水平调查评价技术指南建议》。这一系列政策建议的提出,为全面推广矿产资源开发利用水平调查,科学评价我国矿业高质量发展水平奠定了基础。
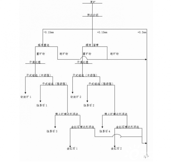
二、矿产资源合理开发利用评价指标体系研究 为规范矿产资源开发利用评价,科学合理评价矿业高质量发展水平,郑州综合利用所规范了“三率”指标计算方法,起草了行业标准DZ/T 0272《矿产资源综合利用技术指标及其计算方法》,制定了能够反映矿产资源开发利用水平的开采回采率、选矿回收率和综合利用率的标准定义,并给出计算方法。同时,为建立并完善“三率”最低指标要求体系,支撑制定了煤炭、铁矿、铝土矿、铜矿等77个矿种(矿类)合理开发利用“三率”最低指标要求;预计2020年底,建成覆盖全部开采矿种的矿产资源合理开发利用“三率”指标体系。“三率”最低指标要求已成为编制、审核矿产资源开发利用方案、矿山设计的主要指标,为矿产资源合理开发利用和有效监管提供权威依据。 三、矿产资源监督管理技术标准体系研究 聚焦现阶段矿产资源监督管理监管职责、内容、方式和技术手段,郑州综合利用所提出了新形势下亟需的通用标准、管理标准、技术标准等矿产资源监督管理技术标准体系建议。同时,为提供科学评价矿业高质量发展水平的标准支撑,积极开展标准研究工作,已牵头、参与制定了《矿产资源综合利用技术指标及其计算方法》《固体矿产勘查概略研究规范》等11项现行行业标准,已报批《铁矿废石利用率计算方法》《煤矸石利用率计算方法》等4项国家标准,以及《固体矿产选冶试验样品配制规范》《矿产资源节约集约利用基本术语》等5项行业标准。□ 战略性矿产技术经济评价精准服务中资企业境外开发 □王威 郑州矿产综合利用研究所依托地质调查项目“战略性共伴生难选冶矿产技术经济评价”,以精准服务中资企业境外矿业开发为目标,针对中资企业境外金、铜、钴、铌、锂、钛等战略性矿产资源开发项目存在的需求,重点开展巴西铌多金属矿综合利用、莫桑比克锆钛砂综合利用、刚果(金)铜钴矿综合利用关键技术攻关,为中资企业境外矿业开发水平提升提供技术支撑。 一、巴西铌矿预选技术研究进展 铌是高新技术发展的关键材料之一,具有良好的超导性、熔点高、耐腐蚀、耐磨等特点,被广泛应用到钢铁、超导材料、航空航天、原子能等领域。据统计,我国铌资源基础储量为82万t,但我国铌资源品位低,开发利用程度低,2016年,我国铌精矿产率约50t/a,铌对外依存度超过95%。近年来,随着铌在超导材料、航空航天、原子能等领域的应用,铌消费量持续增长,中国地质科学院全球矿产资源战略研究中心预测2030年以前,我国铌消费量将持续增长,到2020年,我国铌需求量将达到1.13万~1.70万t,到2025年,将达到1.83万~2.58万t,到2030年,预计将达到2.35万~3.36万t。 烧绿石(pyrochlore),又称黄绿石,是金属铌的主要来源,在已发现的铌资源中,约90%的铌矿床属烧绿石矿。2016年,洛阳钼业以15亿美元收购英美资源旗下的巴西铌磷业务之后,洛阳钼业成为全球铌第二大生产商。巴西Catalo矿区铌矿伴生的矿物成分较多,铌精矿质量要求高,烧绿石的矿物加工流程十分复杂,基本可以总结归纳为磨矿-多段脱泥-反浮脱硫-反浮选硅酸盐或碳酸盐-脱水-磁选-烧绿石浮选-硫化物浮选-浸出除磷,加之烧绿石浮选所采用的捕收剂价格昂贵,造成烧绿石选矿过程整体生产能耗、药剂成本较高,且铌选矿回收率偏低(约56%),亟需对工艺进行优化,以实现对该类资源的高效利用。 项目组对接洛阳钼业巴西铌矿开发需求,通过与企业技术人员交流,进一步了解了现场工艺流程,提出了在磨矿前进行预先脱除脉石杂质简化后续矿物组成、降低磨矿-浮选作业入选矿量的研究思路,得到企业技术负责人员的认同。采集巴西铌矿样品,开展了工艺矿物学研究,在查清矿物组成及赋存状态的基础上,针对巴西某烧绿石矿开展了选矿技术研究,确定了粗粒抛尾的基本流程,试验结果表明采用该工艺流程,可对0.2~18mm烧绿石物料实现抛尾56.09%左右,Nb2O5金属损失8.80%,磨矿浮选作业入选物料中Nb2O5含量由1.03%提高至2.14%,该技术推广应用可大幅降低烧绿石选矿过程中磨矿浮选作业能耗和药剂消耗,为烧绿石的提产降耗提供了有力技术支撑。 二、莫桑比克锆钛砂综合利用技术研究 锆钛矿属于稀缺资源,由于锆、钛特殊的金属特性,被广泛应用于军工武器、精密铸造、高级耐火材料、航空航天、医学化工、核能等行业。我国锆、钛资源有限,而需求量不断增大,每年以6%的速度增长,每年锆、钛矿进口需求量分别达到90%和70%。 美国地质调查局数据显示,2012~2018年全球锆资源储量维持在7500万t左右(ZrSiO4),澳大利亚、南非、肯尼亚及莫桑比克4个国家锆矿储量合计6140万t,占全球84.11%,矿床类型多以滨海砂矿为主;印度、马达加斯加、巴西、中国、美国、乌克兰、印度尼西亚及俄罗斯等其他国家锆矿储量1160 万t,占全球15.89%。截至2018年底,全球钛矿资源量超过20亿t(TiO2当量计),储量9.42亿t,其中钛铁矿储量8.80亿t,约占93.42%;金红石资源储量6200万t,约占6.58%。 我国的锆英砂产量不足1万t,需求量却达62.3万t,近3年的进口量均超过100万t。2019年,我国锆英砂进口总量达到118.2万吨,同比增幅达11%。2012~2017年,我国的钛矿表观消费量不断增加,在2017年达到687万t,自产的钛精矿产量一直大于钛精矿进口量。近年来,钛精矿进口所占比例逐年增加,进口增幅远大于本国产量。整体来说,我国每年对钛精矿的进口量远大于出口量,对外依存度逐年增加。
莫桑比克锆钛砂综合利用原则工艺流程 莫桑比克成矿地质条件优越,矿产资源丰富,近几年发现的钛储量约600多万吨。滨海锆钛砂是莫桑比克锆钛资源的重要类型。在分选锆英石和钛铁矿的同时,如何将金红石、独居石等其他有用重矿物加以综合回收,解决锆英砂放射性元素超标等问题是影响其高效开发的关键。项目组针对中资企业莫桑比克锆钛砂资源开发利用需求,以莫桑比克滨海锆钛砂矿为对象,开展综合利用技术研究。基于该矿中钛铁矿、锆英石、独居石、金红石等重矿物粒度偏细(一般在100目以下)的工艺矿物学特征,充分运用窄粒度级别分选和重力分选工艺优势,针对性研发了“分级抛尾-分流重选-多产品干法磁选-分流浮选-重选提纯”的锆钛砂综合利用关键技术和“干法离心分选”预选技术,试验得到了产率7.48%、品位52.87%、回收率90.83%(对原矿)的钛铁矿精矿,以新型稀土矿捕收剂、金红石捕收剂为主的锆英石、独居石、金红石综合回收浮选工艺优化研究最终可得到钛铁矿、锆英石、独居石、金红石合格产品,实现综合回收的目标。 三、刚果(金)铜钴矿综合利用技术 钴是重要的新能源材料,在现代工业发展中有许多不可替代的用途,特别是在新能源汽车、航空航天等领域中具有重要应用,被中国、日本、欧盟及美国纷纷列入关键性矿产目录。据统计,2019年度我国钴储量为80000吨,占全球钴资源量的1.14%,钴的对外依存度高达97%,而刚果(金)钴储量占全球的51.43%,产量占全球的71.43%。并且,铜钴常以伴生矿形式存在。 项目组针对刚果(金)铜钴矿开发普遍存在的钴浸出率偏低的问题,进行了提高钴浸出率的工艺技术研究,采集了刚果(金)腾克丰古鲁梅(Tenke Fungu-rume)铜钴矿样品,采用湿法浸出铜钴工艺,通过选择性分段浸出、直接浸出、多级逆流浸出等多方案对比研究,采用原矿-磨矿-多级逆流浸出工艺,钴浸出率达到96.09%。□ 创新矿产利用模式支撑赣南矿业绿色发展 □ 赵恒勤 张红新 郑州综合利用所依托 “江西于都地区钨等矿产绿色利用调查评价” 地质调查项目,通过创新绿色利用技术,提升矿产产出价值和矿产开发的环境友好性——调查矿山环境状况,解决已有矿业开发生态环境问题——制定适合当地特点的绿色矿山政策标准,形成绿色矿业发展长效机制。该路径摒弃了以往单一调查、单一技术研发等形式,采用软(政策标准等)硬(技术落地)结合的综合模式开展,有效地支撑赣南矿业绿色发展。 针对铁山垅钨矿及共伴生组分,围绕制约绿色利用的各个环节,从提高有价组分分选指标、尾矿中有价组分回收、钨废石石英提纯等方面开展技术攻关,取得了较好的成果。 一、钨伴生铜锌浮选工艺优化及应用 针对钨伴生的铜锌浮选分离工艺存在的药剂用量较大,成本偏高、回水未利用问题,提出了回水分段回收利用思路,使回水中所残留药剂互相不干扰,保证了药剂种类的稳定性。为避免细泥的影响,引入高效分散剂,采用高效分散剂与原有药剂进行协同应用,实现了铜锌分选作业段回水利用,回水利用率达到70%以上。采用新组合药剂,药剂用量比例45kg/t粗精矿降低至11.5kg/t粗精矿,吨药剂成本从185元降低至54元,药剂用量大幅度降低,选矿成本也大幅度降低。选矿回水阶段利用,减少了废水的排放,药剂用量大幅度降低,缓解了环境的压力,达到绿色利用的目的。该成果已现场转化应用。 二、钨细泥绿色利用技术 黑钨性脆,易过粉碎,在开采和碎矿的过程中不可避免地产生细泥。据统计,大概有20%的钨损失于钨细泥中。由于钨细泥组成复杂、粒度细且微泥化程度高,因此对选矿工艺以及选矿设备有很高的要求。采用分级抛尾-离心重选粗选-悬振锥面精选的工艺,从丢弃的钨细泥中可再回收含WO3品位23.43%,回收率41.62%的黑钨精矿。初步分析表明,采用该技术工艺企业可年新增141万元的经济效益。 于都县的银坑矿田是赣州重要的铅锌矿产,现有资源量1000万t矿石、铅锌金属量50万t、金15t、银800t、铜3万t,远景储量铅锌金属量100万t、金60t、银3000t,潜在经济价值高。项目组在生产现场调研发现,锌在硫精矿中含量达到2%以上,损失较大。结合现场设备和场地空间,把原流程优先浮选铜铅-选锌-选硫工艺改为优先浮选铜铅-锌硫混选-锌硫分离工艺。不用增加新设备和场地的情况下硫回收率提高0.87个百分点,铅回收率提高4.46个百分点,铜回收率提高7.14个百分点,锌回收率提高0.6个百分点,银回收率提高2.11个百分点。电机功率下降105千瓦,操作稳定性更好,药剂消耗也有不同程度的下降。在提高有价组分收率的情况下,也相当于减少了有害元素的排放,缓解了环境压力。 黑钨细泥绿色利用技术现场 三、于都地区矿山地质环境调查 针对于都县全区开展矿山地质环境调查工作;摸清于都县区域地质环境背景,查明矿山及其周边地质环境问题、类型、特征及危害等;开展矿山地质环境保护与治理区划研究。选择于都县南部钨矿资源基地开展1∶1万矿山地质环境调查工作,评估矿山开发的地质环境效应,评价不同类型矿山开发对水土环境的影响机制,提出矿产资源绿色开发对策建议。其中2019年完成于都县南部区域调查,移交了《于都地区南部区域自然资源图集》《于都南部区域废弃矿山地质环境问题恢复治理建议》《于都南部废弃钨矿山环境综合治理可行性调查报告》。这些工作成果对于都县矿山环境监督、治理、管理和规划等具有一定的作用,对于都县废弃矿山的恢复治理具有重要意义,将有助于于都地区矿山生态环境整治和生态文明建设。 四、赣州绿色矿山建设标准研究 针对赣州优势、特色及面广的矿产钨、萤石、稀土以及建筑用砂石粘土矿等绿色矿山建设标准研制。2019年研制的两项赣州市地方标准《钨矿绿色矿山建设规范》(DB3607/T 001-2020)、《萤石矿绿色矿山建设规范》(DB3607/T 002-2020)已由赣州市市场监督管理局发布实施,此系国内首发的地方绿色矿山建设标准。目前,正在研制《离子型稀土绿色矿山建设规范》《普通建设用砂石粘土绿色矿山建设规范》两项地方标准。已向赣州市市场监督管理局提交了两项地方标准的立项材料,并成功立项。□ (责任编辑:admin) |

