新煤网移动版

主页 > 技术资料 > 科技论文

煤矿空压机余热回收利用系统的研究与设计

★ 清洁利用 ★

煤矿空压机余热回收利用系统的研究与设计

石建光1,张锦龙1,张立忠2

(1.国能包头能源有限责任公司煤炭洗选中心,内蒙古自治区鄂尔多斯市,017000;2.北京中矿博能节能科技有限公司,北京市朝阳区,100102)

摘 要 为了高效回收利用煤矿空压机在运行过程中产生的热能,以李家壕煤矿空压余热利用项目为例,结合煤矿空压机运行数据和矿区洗浴热水用热需求的实际情况,对空压机润滑油中的余热进行回收,以用于制取洗浴热水供矿区职工使用。介绍了空压机余热回收利用系统的设计参数,阐述了空压机余热回收利用系统的设计原则,以及润滑油系统改造设计、热水系统设计、控制系统设计等具体内容,并说明了空压机余热回收系统的特点与优势。

关键词 空压机余热;冷却系统;洗浴热水;系统设计;智能化控制

根据国家统计局公布的数据,2021年煤炭在我国一次能源消耗中的占比为56%,提高能源利用效率是我国当前能源结构下控制能源消费总量、推进“双碳”目标实现的重要手段之一[1-2]

以空压机余热作为能源循环再利用技术,已在煤炭行业得到了较为广泛的应用,在回收空压机余热的同时,还能够起到冷却空压机的作用。虽然空压机余热可回收热量相对矿区生产、生活供热总量较小,但利用空压机余热来制取职工洗浴用热水,既可以实现空压机余热回收及利用、降低能源消耗,又可以减少污染物的排放,产生较好的环境、经济及社会效益[3]。以夏季为例,在自来水温度为20 ℃的情况下,利用空压机余热制取1 t温度为50 ℃的洗浴热水,其系统循环泵耗电仅为1.86 kW·h。利用1台轴功率为250 kW的螺杆式空压机运行时的回收余热量来制取洗浴用热水,可减少燃煤供热锅炉用煤583标t/a。

笔者以国能包头能源有限责任公司李家壕煤矿(以下简称“李家壕煤矿”)空压机余热利用项目为例,通过分析利用空压机余热制取洗浴热水在实际工程中的应用,以期为空压机余热利用技术的推广和工程设计提供参考。

1 工程概况

李家壕煤矿位于内蒙古自治区鄂尔多斯市东胜区,主要产品为不黏煤和长焰煤,设计生产能力12 Mt/a。矿区选煤厂因生产需要使用高压空气,因此在空压机房安装了风冷螺杆式空压机,在供给高压空气的同时还有大量余热排放至空气中,造成热能资源浪费。李家壕煤矿采用太阳能热水器配以辅助电加热制取洗浴热水,以解决本矿区职工洗浴热水的用热需求。本工程设计改造了空压机的润滑油冷却系统,并安装了空压机余热回收机组,在空压机工作时回收润滑油中的热量制取洗浴热水,并根据空压机余热特点,结合矿区职工洗浴热水制热负荷的变化规律,配套设计洗浴热水换热系统和智能控制系统,以保障空压机的安全运行和稳定供热。

2 空压机余热回收利用系统设计参数

2.1 余热资源

李家壕煤矿现有8台空压机,自动循环投切运行,实时运行情况为2用6备,空压机轴功率为250 kW。根据多项关于空压机工作效率及余热资源的研究[3-5],空压机轴功率中仅有10%~35%的能量转化为压缩空气势能,而其余能量均以热量形式进入导热油或其他形式的媒介中,并最终以风冷或水冷方式散失,这些能量均可作为余热资源予以回收。取平均热能回收比例80%,则可回收余热达400 kW。

压风机可回收余热总量的计算见式(1):

Qy=N×n×k

(1)

式中:Qy——压风机可回收余热总量,kW;

N——压风机单机轴功率,kW;

n——日常运行台数,台;

k——热回收率, %。

2.2 回收系统参数

目前设计的8 台空压机余热回收机组与空压机一一对应并连锁运行,其中单台机组最大回收余热功率为220 kW;空压机油气分离器润滑油出油温度为90 ℃,压力为0.6 MPa,热量回收后压缩机润滑油的回油温度设为65 ℃。空压机余热回收机组油侧压力损失不超过 0.05 MPa。

2.3 热用户端参数

根据项目要求,利用回收的空压机余热每天(按18 h计)制取50 ℃洗浴热水应不少于170 t,同时作为太阳能热水制备系统的补充,要求其出水温度及流量连续可调。

根据实地温度测量结果,李家壕煤矿夏季自来水的平均温度为24 ℃,冬季自来水的平均温度为4 ℃,春秋两季的自来水平均温度为15 ℃。按照全年洗浴热水温度50 ℃、补充自来水温度15 ℃计算,回收的余热资源可制取热水的量为177.2 t/d。

回收余热资源制取热水量的计算见式(2):

式中:Qh——回收的余热资源热水制取量,t/d;

t——日均运行小时数,h/d;

T1——出水温度, ℃;

T0——回水温度, ℃。

由此可见,本设计参数可以满足项目的用水温度及用量等各项要求。

3 空压机余热回收利用系统设计

3.1 系统设计原则

本项目采用的是回收空压机润滑油中的热量以制取矿区职工洗浴用热水,因此需要对每台空压机的润滑油冷却系统进行改造。在设计系统时应坚持以下原则。

(1)安全稳定。保证原有空压机系统的安全稳定运行是整个系统最重要的前提,在设计油路系统改造方案时,既要保证其便于接入热回收系统,还要把对原有系统的影响降到最小;在设计热水系统时采用间接换热,避免因换热器泄露而造成油路或洗浴热水污染,从而影响空压机的运行安全和洗浴热水的使用安全;在设备选型选材时,应充分考虑防腐、阻垢等因素,并设计足够冗余度以保证在特殊情况下能将多余的热量移出,防止出现影响空压机系统安全运行的情况。

(2)灵活高效。保留空压机原有风冷系统,控制系统能根据需要,随时将余热回收换热模式切至原风冷换热系统,从而控制压缩机回油温度恒定;安装各种计量设备,实时在线收集回收的热量、用水量等数据,统计分析系统运行效果[6-8],以此作为调整控制参数的依据,使系统保持最优运行效果。

(3)智能便捷。以空压机润滑油温度、蓄水箱水位等为关键跟踪控制指标,实现智能化控制、远程监控和数据采集,支持多终端操作;实现故障实时自检和自动启停控制、闭锁和自动切换(轮换)。

3.2 润滑油系统改造设计

空压机润滑油冷却系统改造前应先切断电源,待机组冷却后从油气分离器放油口处将机组内润滑油放出,参照空压机的说明书核对油气管路或咨询生产厂家技术人员,确认油气管路和油路的三通温度调节阀的位置,找到三通温度调节阀至油冷却器的油管,选择安装空压机油路分油器方式确定系统改造方案。高压气管采用的是钢管,润滑油路通常采用的是高压钢丝胶管或不锈钢管,改造时选用空压机同种规格形式的润滑油管道,额定工作压力为1.6 MPa,便于安装操作和后期系统维护。空压机油路分离器安装示意如图1所示。

图1 空压机油路分离器安装示意

高压钢丝胶管接口一般有2种方式,一为法兰螺栓连接,二为丝接。当空压机润滑油管使用的是高压钢丝胶管时,则采用空压机油路分离器外置安装方式(图1(a)),油路分油器有3个阀门和4个接口,拆下三通温度调节阀至油冷却器调节阀一端的油管,将阀门1进口同三通温度调节阀连接,阀门2的出口接到余热回收机组的进油口,阀门3的进口接至余热回收机组的出油口,阀门1出口接空压机原油冷却器的油管。回收空压机余热时,关闭阀门1,打开阀门2和阀门3,润滑油经过余热回收机组回收余热后再流回空压机原冷却循环系统。如余热回收系统停用,则打开阀门1,关闭阀门2和阀门3,断开余热回收系统,切换回空压机原润滑油冷却系统。

当空压机使用钢制油管时,则进行空压机机壳内部油路分油改造,即油路分油器内置安装方式(图1(b)),根据空压机内部空间结构,在三通温度调节阀至油冷却器的油管上便于改造安装和后期维护的位置,断开油管,安装阀门1,在阀门1两端开口接入阀门2和阀门3。在空压机内部改造时,要对新加入的油路分油器或阀门做好支撑和固定,避免机器运行时的震动对空压机造成损伤,在润滑油路上加装的阀门设计采用1.6 MPa不锈钢法兰球阀,方便安装和检修,因为润滑油渗透性强,采用法兰螺栓连接,紧固压力大,便于止漏。

3.3 热水系统设计

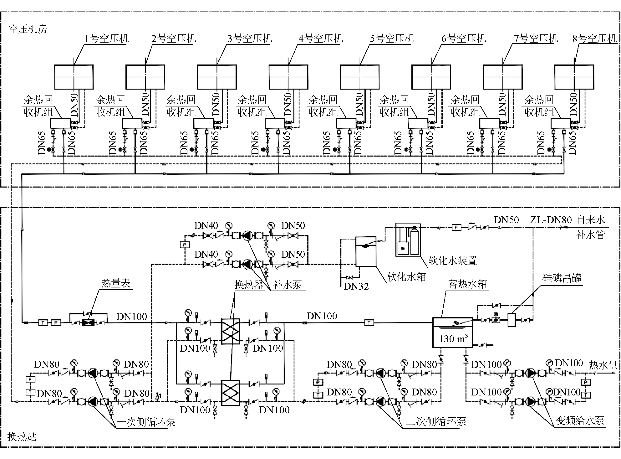
每台空压机设计1台空压机余热回收机组,取热时将空压机油冷却系统改造后引出的油管接至余热回收机组对应的油路接口上。供热侧设置一次侧循环泵,通过管道连接空压机余热回收机组和洗浴热水换热器热媒侧,加注软化水,构成闭式中间循环系统;设置二次侧循环泵,通过管道连接洗浴热水换热器供热侧和蓄热水箱,组成开放式(常压)蓄热系统;系统设计变频给水泵,把蓄热水箱中的热水送到职工浴室或其他用水单位。空压机余热利用系统流程如图2所示。

图2 空压机余热利用系统流程

供热侧每台空压机余热回收机组并联安装,进出水口安装电动阀门,阀门的开启与空压机余热回收机组工作同步,工作时打开,停止时关闭,避免水路的无效循环。系统中水泵设计均为“一用一备”,便于循环检修和故障切换;洗浴热水换热器二次侧仅是对自来水进行加热,并不是软化水,因此需要定期检修清洗,为保证系统不间断供热,也为“一用一备”设计,并在备用期间进行检修清洗。

由于洗浴热水是自来水加热后供生活热水使用的,因此洗浴热水的水质也要符合生活用水的水质标准。但我国大部分地区的水质硬度较高,特别是自来水以地下水作为水源时,水质的不稳定性易造成设备管道的腐蚀和结垢。为防止二次蓄热循环系统的板式热器和管道内结垢,在水质较差地区,要在给水管道上加装食品级硅磷晶阻垢剂;在水质相对较好的地区,要加装电磁类阻垢装置以减缓设备管道结垢,延长保养清洗周期。为防止管道腐蚀,二次蓄热循环系统管道设计采用镀锌管或PPR热水管。在空压机余热回收机组和板式换热器之间闭式循环系统的主管道上加装超声波热量计,计量系统热回收量;在自来水补水管上加装水表,计量用水量,便于统计分析系统运行效果[7-10]。空压机余热回收洗浴热水制取系统总配电功率为53.50 kW,最大运行功率和备用功率均为26.75 kW,空压机余热回收系统配电负荷见表1。

表1 空压机余热回收系统配电负荷

序号设备名称台数/台额定功率/kW运行功率/kW备用功率/kW配电负荷/kW电压/kV1一次侧循环泵211.0011.0011.00 22.00 0.382二次侧循环泵27.507.50 7.50 15.00 0.383变频给水泵27.507.50 7.50 15.00 0.384补水泵20.750.75 0.75 1.50 0.38

3.4 控制系统设计

空压机余热回收系统运行时,控制系统可实现以下功能:一是智能化控制,以实现远程监控、数据采集、多终端操作等;二是空压机安全稳定运行,在洗浴热水系统的负荷有波动时,可保障空压机润滑油回油温度恒定;三是洗浴热水供水温度恒定,不会出现蓄热水箱因自来水的补充和热损失造成的洗浴热水供水温度变化。

控制系统设置1套PLC集中控制站,设置工控机、网络交换机等设备,对整个系统所有环节的相关参数进行监测,并对系统设备进行自动控制。实现无人值守,远程手机App、小程序、公众号、PC机均可监控;设备厂家能够提供异地调试、远程诊断服务;整个系统设备可自动顺序启停控制及闭锁;备用泵的故障自动投切与自动轮换工作功能;实时检测显示每个测点参数及系统运行状态,故障时发出声光及智能语音报警;实时直观动态显示系统动态流程图、设备工况、工艺及电量参数等,进行相应的数据处理、记录和存储。现场通过5G无线路由器接入云平台,然后连通云公网IP接至云服务器,运维中心安装软件到对应的云服务器当中,在运维中心大屏端与VPN网络连通,控制室终端也可接入VPN网络,实现公司内部和项目现场的远程控制。根据项目位置来选择当地信号比较好的网络供应商,配置5G无线路由器,办理接入直接配置连通至VPN网络。利用云服务器,采用BGP技术,上行路由与下行路由选择最优的路径,实现高速的单IP高速访问,还可以冗余备份、消除环路,具有扩展性,在现场和外地任何一个地方链接,不需要另外申请专线,可避免断电和线路导致的不稳定问题。

空压机的安全运行是整个系统的重中之重[11-15]。基于洗浴热水系统的特点,洗浴热水负荷会随着洗浴热水用量的变化而波动,当出现用水量减少而造成蓄热水箱热水储满时,空压机余热无法回收会造成空压机润滑油回油温度升高,此时系统会检测润滑油的回油温度,启动空压机原风冷系统进行润滑油再冷却,以保障空压机安全运行。每台空压机余热回收机组水路换热系统均配置电动阀门,电动开关阀的启停信号取自空压机本身,空压机的启动是根据高压空气的压力自动启停。当空压机启动时,信号传输至控制系统,余热回收机组的电动阀门开启,自来水进入余热回收机组进行换热;当空压机关闭时,电动阀门也关闭并切断水路,余热回收机组不进行换热工作。

洗浴热水系统向用热单位供水时,蓄热水箱液位下降,自来水会跟据水箱液位控制补水电动阀自动补充进来,因为自来水温度较低会对蓄热水箱内热水温度产生影响,因此在水箱内根据液位和水的温度设置了联动双控,设定低液位时补水、高液位时停止补水,水温大于设定值时补水、低于设定值时停止补水,液位和温度同时满足补水条件时,才能打开补水电动阀补水。热水给水采用变频泵供水,并根据管道给水压力自动调控给水流量。

3.5 空压机余热回收系统的特点

(1)保证空压机安全稳定运行。采用间接换热、高效蓄热水箱和空冷系统-余热回收系统自动切换装置的设计,使余热系统的运行与原有空压机系统绝对隔离,余热回收装置即使遇到管道破裂、水泵故障等意外情况,也不会影响空压机的安全和正常工作。

(2)改善空压机油冷系统工作状态。螺杆空压机的机油温度要求为65~95 ℃,最佳温度是75~85 ℃。本系统根据空压机工作所要求的条件设计,采用高温循环水泵和水变频电机,通过控制水泵的供水量,得以动态调节空压机油冷系统的回油温度,使其在不同季节、温度和工况条件下均能维持在最佳工作温度,以降低空压机维修成本,提高使用寿命。

(3)智能控制水平优化潜力巨大。本系统实时采集运行数据,通过云平台接入云服务器,实现自动控制和远程监控,不但大大提高了现有空压机-余热回收系统无人值守的操作控制水平,也为未来的用户端需求预测-空压机工况控制-余热回收装置调控的联动联控水平优化,提供了巨大的潜力和可能性。

4 结语

笔者以李家壕煤矿空压机余热回收利用应用工程为例,全面介绍了空压机的润滑油冷却系统改造、洗浴热水制取、系统的防腐防垢及智能化控制等方面的设计要点,并提出利用空压机余热回收系统制取洗浴热水,其主要特点是在冷却空压机的同时回收热量,获取免费的余热制取洗浴热水,以保障空压机的安全稳定运行。

煤矿空压机余热利用技术既是节能降耗、发展循环经济的重要手段,同时还符合智慧矿山建设的要求,可以进一步地促进煤炭企业可再生能源的循环再利用,为煤炭企业空压机余热利用技术的推广和工程设计提供参考。

参考文献:

[1] 孟凡平,符如康,张豪. 矿用螺杆式空压机油气系统余热回收利用的研究与应用[J]. 煤炭工程,2015,47(4):78-79,82.

[2] 赵丹,王联华,张磊. 空压机余热利用在新庄煤矿的应用与研究[J]. 时代报告,2012,(10) :55.

[3] 李明,常艇,张立忠,等.煤矿空压机余热高效利用技术应用研究——以李家壕煤矿为例[J].中国煤炭,2022,48(5):76-80.

[4] 包喆,尹贻辉,肖伟杰.空气压缩机余热再利用的研究与应用[J].山东工业技术,2016(10):197.

[5] 邵振栋.螺杆式空压机余热利用研究[J].上海节能,2019(5):393-399.

[6] 李永杰. 空压机余热回收利用[J]. 科技创新与应用,2017(4) :133.

[7] 张海生. 空压机余热回收改造[J]. 机械管理开发, 2016,31(1) :83-84.

[8] 耿豪. 螺杆式空压机余热利用节能可行性方案[J]. 内江科技,2012,(9) :72-72,52.

[9] 李鑫,常红,高旭,等.常村煤矿空压机余热回收研究与应用[J].中国设备工程,2016(7):65-67.

[10] 潘立敏.煤矿空压机余热回收再利用系统可行性分析[J]. 煤炭科技,2018(1):10-12.

[11] 段旭东,同秀林. 马道头选煤厂螺杆空压机余热回收利用方案探索[J]. 选煤技术,2018(4):78-79,82.

[12] 荀靖凯.煤矿螺杆空压机余热利用系统研究[J].煤炭与化工,2017,40(11):140-142.

[13] 王玮.新安煤矿空压机余热回收系统的应用研究[J].煤炭科技,2016,(4):118-120.

[14] 何莞,叶丹,高梅,等.基于PLC一体机的空气压缩机余热回收控制系统方案[J].西安文理学院学报(自然科学版),2017,20(2) :67-70.

[15] 夏明祥. 空压机余热回收自动控制技术的应用[J]. 知音励志,2015,(17):43-44.

Research and design of waste heat recovery and utilization system for coal mine air compressor

SHI Jianguang1, ZHANG Jinlong1, ZHANG Lizhong2

(1. Coal Washing Center of China Energy Baotou Energy Co., Ltd., Ordos, Inner Mongolia 017000, China;2. Sino Mining Energy Efficiency Technologies Co., Ltd., Chaoyang, Beijing 100102, China)

Abstract In order to efficiently recover and utilize the heat energy generated during the operation of air compressor in coal mine, taking the air compressor waste heat utilization project in Lijiahao Coal Mine as an example, combined with the operation data of the air compressor in the coal mine and the actual situation of the heat demand for bathing hot water in the mining area, the waste heat in the lubricating oil of the air compressor is recovered to produce hot water for bathing for the employees in the mining area. This paper introduces the design parameters of the air compressor waste heat recovery and utilization system, expounds the design principles of the air compressor waste heat recovery and utilization system, as well as the specific contents of the reform design of lubricating oil system, the design of hot water system, the design of control system, etc., and explains the characteristics and advantages of the air compressor waste heat recovery system.

Keywords air compressor waste heat; cooling system; bathing hot water; system design; intelligent control

中图分类号 TK115;TD443

文献标志码 A

移动扫码阅读

引用格式:石建光,张锦龙,张立忠. 煤矿空压机余热回收利用系统的研究与设计[J].中国煤炭,2022,48(9):133-138.DOI:10.19880/j.cnki.ccm.2022.09.020

SHI Jianguang, ZHANG Jinlong, ZHANG Lizhong. Research and design of waste heat recovery and utilization system for coal mine air compressor [J]. China Coal, 2022,48(9):133-138. DOI :10.19880/j.cnki.ccm.2022.09.020

作者简介:石建光(1976-), 男,内蒙古托克托县人,高级工程师,主要开展选煤管理及生产节能领域研究。E-mail:408885732@qq.com

(责任编辑 王雅琴)

(责任编辑:admin)