刘少辉,高级工程师,全国劳动模范,全国技术能手。
河北省特等劳动模范,河北省突出贡献技师,现任开滦能源化工股份有限公司范各庄矿业分公司机电科班长。
提出机电设备安装调试创新设计及思路190余项,其中40项创新成果获国家专利授权。带头攻克了主井电控装置启动时频繁烧毁可控硅的技术难题,研发了提升机液压站翅片式自动风冷散热装置,创新岗位电气检修流程,解决困扰矿井提升技术难题89个;主编专著1部,发表论文14篇; 获河北省煤炭科学技术奖3项。
煤矿主提升液压站是矿井提升机重要的安煤全和控制部件,它和盘形制动器组合成为一完整的制动系统,为盘形制动器提供可以调节的压力油,使提升机获得不同的制动力 矩;使矿井提升机正常地运转、调速、停车。盘形制动器装置与液压站组成了矿井提升机的制动系统,用于实现提升机工作时的减速、工作制动和安全制动。盘形制动器装置是矿井提升机制动系统的主要执行部件,具有体积小、质量小、惯性小、动作快,可调性好、可靠性高、通用性高、基础简单、维修、调整方便等优点。该部件主要由若干个单独的盘形制动器用高强度蝶栓成对地固定在支架上组成一体。
煤矿提升机液压制动系统自动风冷散热装置 主要用于煤矿大型主提升机液压制动系统箱体内部 液压油降温。目前,矿井提升机液压制动系统冷却 装置均采用自然风冷,由于液压制动系统箱体由厚 度3 mm的钢板制成,箱体内部液压油因高压泵作 用长期处于高温工作状态,给液压制动系统正常运行带来安全隐患。研制的矿井主提升机液压制动系 统自动翅片风冷散热装置(图1),可以自动控制 液压制动系统内部液压油温,使其保持在液压制动 系统正常工作温度范围内,可有效保证主提升机制动系统安全可靠工作。

图1 矿井主提升机液压制动系统自动翅片风冷散热装置
煤矿用大型主提升机液压制动系统正常运行温度不超过55 ℃,每年3月下旬至10月中旬受自然环境温度影响,主井主提升机由于原煤提升量大,车房内的液压制动系统连续运转使内部液压 油温超过55 ℃,导致主提升机提升停止。高温使液压油的黏度降低,主提升机制动性能减弱, 严重影响主井提升系统的安全提升。而且高温液压油缩短了液压制动系统电磁阀内部的胶圈使用寿命,液压制动系统故障率增大。平常降温方法采用三相交流大功率空调吹着液压制动系统箱体降温,由于车房内部温度高,空调降温效果差, 为保证主提升机制动系统在允许的温度下安全可靠工作,利用闲置的空调室外机,拆除室外机内部压缩机,改造翅片式散热器铜管连接结构,研制出主提升机液压制动系统翅片式自动风冷散热装置,解决了大型主提升机液压制动系统长期高 温运行的弊病,该装置的成功研制可以保护主提 升机液压制动系统内部的液压油在允许温度下工作,既可节约电能,又可解决液压制动系统油温过高的问题,延长液压制动系统电磁阀、制动器密封胶圈使用寿命。
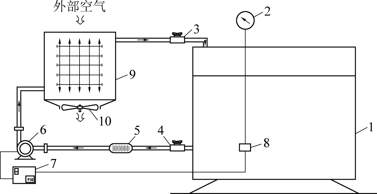
矿井提升系统液压制动自动风冷散热装置技术原理
(图1)采用闲置的2.205 kW分体空调室外机(第一代)作为液压制动系统箱体内部液压油散热装 置(图2),利用液压齿轮泵作为散热装置的动力 源,启动液压齿轮泵,将液压制动系统箱体内部液 压油通过紫铜管道、液压齿轮泵吸入空调翅片铜管 散热器降温后输送回液压制动系统箱体内部;采用 提升机液压站底部排油口安装输油液压软管,研制 仿机动车用冷却水箱原理(第二代)箱体外部安装 液压泵将液压油从液压站抽出在箱体中循环(图 3),然后在输送回液压站箱体内部,翅片式冷却 装置内部液压油的温度由安装在冷却装置表面冷却 风扇进行降温,确保冷却装置内部液压油温度始终 维持在稍高于环境温度,齿轮液压泵及冷却风扇启 动停止采用微电脑控制器控制启停,通过放置在液 压制动系统冷却装置内部的温度传感器实时采集液 压油温传递给PID智能控制器,实现矿井提升机翅 片式风冷散热装置自动启停控制。矿井主提升机液 压制动系统结构原理,如图4所示。

图2矿井提升机液压制动冷却装置(第一代)

图3矿井提升机液压制动冷却装置(第二代)

1-液压站箱体;2-液压站液压表;3-液压油回油球阀; 4-液压油输出球阀;5-液压油过滤器;6-液压齿轮泵; 7-智能启停控制器;8-快速接头;9-翅片式散热器;10-冷却风机
图4 矿井主提升机液压制动系统结构原理
矿井提升机液压制动自动风冷散热装置特点
(1)液压制动系统冷却装置拥有手动控制方式、自动控制模式,实现手动、自动启停控制。
(2) 液压制动系统冷却装置设计实用,投资小,液压制动系统降温效果明显,在节能降耗方面 表现突出。
(3) 液压制动系统冷却装置采用将液压油引 到液压箱体外散热,创新思路清晰、新颖,还可以进一步扩展创新思路,采用制冷压缩机和风冷2种 模式为大型液压制动系统降温提供创新延展。
矿井提升机液压制动自动风冷散热装置使用效果
围绕解决困扰矿井主提升系统液压制动装置液压油温度高,直接影响矿井主提升系统运行安 全,开滦能源化工股份有限公司范各庄矿刘少辉技 能大师工作室创新团队立足岗位大胆开发研制,经 过3个月研制、模拟现场试验、现场实际使用,设 计制作出液压制动系统翅片自动风冷散热装置,自 2022年3月下旬在主井车房投入使用以来,主井提 升系统液压制动装置再未出现过由于液压油温过 高,而影响液压制动系统正常运行的事故,保证了 主井主提升机制动系统的安全可靠运行,降低了液 压制动系统事故率、电能消耗和大型设备大修概 率,综合核算年创效达500余万元。
煤矿提升机液压制动系统自动风冷散热装置 实现了自动控制冷却装置启停,减轻了值班司机劳 动强度。经实际运行验证,降温效果明显,技改后 的主井液压制动系统油温稳定保持在45 ~ 50 °C; 替换下三相交流大功率空调,节电效果明显,适于 在矿井主提升液压制动装置同行业推广应用。